产品目录

本文将会在节流装置附件的特性、用途、规格上面做详细的说明与介绍,镇江市华阳机电制造有限公司作为是专业的节流装置附件生产厂家,为您选购适合自己的产品做一定的指导是必要的。 要问节流装置附件哪里好,当选镇江市华阳机电制造有限公司。
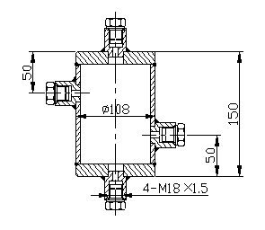
冷凝器:
冷凝器的作用是使导压管中的被测蒸汽冷凝,并使正负导压管中的冷凝液面有相等的高度且保持恒定。因此,当被测介质为蒸汽时,必须装设冷凝容器。
公称压力:PN6.3, PN16Mpa。

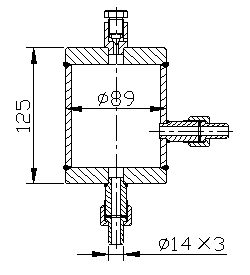
隔离器:
测量高粘度、有腐蚀、易冻结、易析出固体物的流体时,应采用隔离器和隔离液,使被测流体不与差压计或差压变送器接触,以免破坏差压计或差压变送器的正常工作性能。
公称压力:PN6.3, 16MPa。

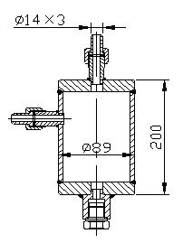
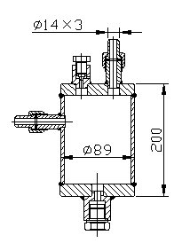
集气器和沉降器:
集气器的作用是收集和定期排出信号管路中的气体,防止气泡聚集在导压管中而影响差压传递。沉降器的作用是收集和定期排出信号管路中的污物和气体信号管路中的积水,防止固体微粒或液体在导压管中沉积。沉降器分为液用和气用两种。
公称压力:PN6.3MPa。



截断阀:
在靠近节流件的信号管路上应加装截断阀。信号管路上装有冷凝器时,在靠近冷凝器的位置上应装截断阀。截断阀的耐压和耐腐蚀性能应与主管道相同。常用的截断阀有:HYF4-2B J21W-64C,P DN10外螺纹截止阀,HYF6-2,HYF6-6 Z61H-64C,P DN10承插焊闸阀。


上一篇我们就没有了!做了详细介绍和说明, 节流装置在下一篇继续做详细介绍,如需了解更多我们的信息,请持续关注。
本文由节流装置附件生产厂家镇江市华阳机电制造有限公司于2018/3/1 15:18:59整理发布。
转载请注明出处:http://www.huayangcompany.com/cpzx/3370.html
上一篇: 没有了! 下一篇:节流装置




